Practice Problems#
You’ve just finished a major upgrade to your garage where you installed an industrial-grade lathe. The lathe’s motor is rated to be 88% efficient under rated conditions and is capable of outputting 550 W. You plug it into the wall (a standard \(120\ \mathrm{V}_{RMS}\) wall socket) and start using it, only to have the power go out as soon as you start cutting. When you look in your circuit breaker box, you find that the 5 A breaker for the garage popped. Why?
You are researching home standby generator systems which automatically take over if the power goes out. You determine that you can survive with the following appliances: refrigerator (1.2 kW), oven (1.8 kW), and microwave (800 W). Will you be able to run these appliances and the central air conditioning (5.2 kW) with a 7 kW generator, or will you need to upgrade to the more expensive 12 kW version?
An AC-powered rotating beacon, modeled as a 120 k\(\Omega\) resistor, is to be installed on an aircraft. Since the beacon requires \(55\ \mathrm{V}_{RMS}\) to operate, a resistor is placed in series to act as a voltage divider. The aircraft generator produces a voltage of
\(v(t) = 84.85\cos(360^\circ \cdot 400t)\ \mathrm{V}\).
If the required efficiency for this circuit is 85%, is this a viable option?

A generator is responsible for powering the scenario below. What efficiency must it be rated for so it can provide enough power?
A 2 hp motor is plugged into a standard wall outlet. Its efficiency is 90%. What current and power does it draw from the wall outlet?

Answer the following questions for the circuit below:
a. Draw the circuit above as a block diagram.
b. Find \(V_{gen}\), \(P_{gen}\), and \(\eta\) for the circuit above.
DC sources can be used with transformers.
(a) True (b) False
Why does our national power grid use AC power?
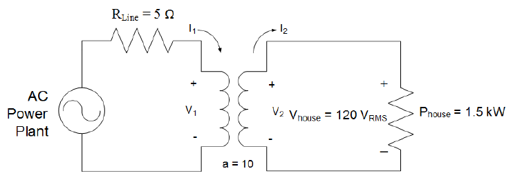
Given the ideal transformer below, answer the following questions.
a) Does this circuit contain a step up or step down transformer?
b) What is the voltage across the primary coil of the transformer?
c) What is the voltage across the secondary coil of the transformer?
d) What is the current \(I_{2}\) at the secondary side of the transformer?
e) Assuming no power losses, how much average power is supplied by the source?
An in-room air conditioning unit requires \(30\ \mathrm{V}_{RMS}\) to operate. A transformer is used to step down the \(120\ \mathrm{V}_{RMS}\) provided by a standard wall outlet. What turns ratio should be used in the transformer?
A power plant provides power to a small community 300 km away. The resistance in the power line can be modeled as a \(10\ \Omega\) resistor. A transformer with a turns ratio of \(a = 70\) is used between the transmission line and the community.
a) If the community uses 123 kW of power at \(120\ \mathrm{V}_{RMS}\), how efficient is this system?
b) How many volts does the power plant need to provide?
c) A contractor has proposed replacing the transmission line with one having only \(5\ \Omega\) of resistance. If everything else remains the same, how efficient would the improved system be?
The electrical distribution system for a deployed Main Operating Base (MOB) is shown below. The system provides an average of 150 kW of power at \(120\ \mathrm{V}_{RMS}\). The transmission line has a cumulative resistance of \(2\ \Omega\) and uses a transformer with a turns ratio of \(a = 8\). What are the source voltage and the efficiency of this system?
An Air Force Base receives power from a power station located 200 km away. The power station uses a step-up transformer with \(a = 0.0625\) and the base uses a step down transformer with \(a = 500\). The transmission line has a cumulative resistance of \(5\ \Omega\). If the base consumes an average power of 2.5 MW, what is the source voltage and efficiency of this system?