Practice Problems#
Practice Problems#
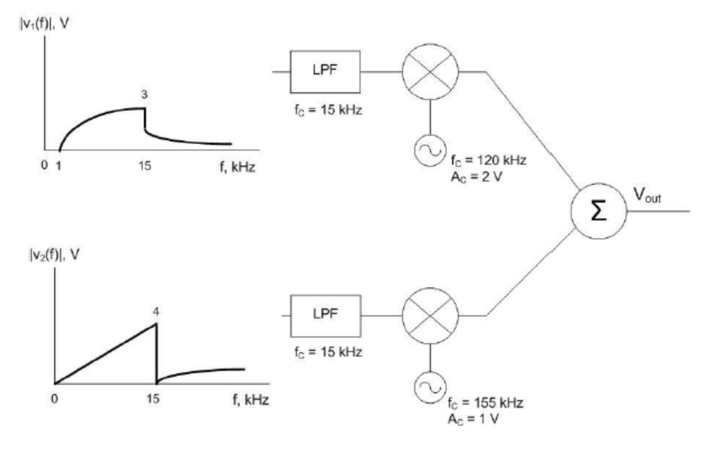
Graph the output of this FDM system in the frequency domain. Find the bandwidth of the modulated signal.

For an AM modulator, how does changing the amplitude of the bias affect:
The output waveform
The output amplitude spectrum
Given the following message and carrier signals,
Graph the output of a function multiplier in the frequency domain.
Given the following message and carrier signals, graph the output in the frequency domain:
Given the following spectra, what is the equation for \(v_{out}(t)\)?

Why do we add low-pass filters to an FDM system? How do we select the cutoff frequencies for these LPFs?
Graph the output of the multiplexer in the frequency domain. What is the bandwidth of \(v_{out}\)?

T / F. Modulation allows us to transmit more than one signal over a single communications channel.
In a modulated signal, how does the bandwidth of the output relate to the message signal used?
For an AM modulator, why would a question that asked about “changing the frequency of the bias” be a nonsense question?
A message signal is input into an AM modulator as shown.

a. Graph the message signal in the frequency domain after the bias has been added.
b. Graph the output signal in the frequency domain.
c. What is the bandwidth of the output signal?